网站首页
公司简介
产品展示
新闻动态
技术文章
应用领域
联系我们
产品展示
单向离合器
超越离合器
逆止器
单向轴承
产品展示
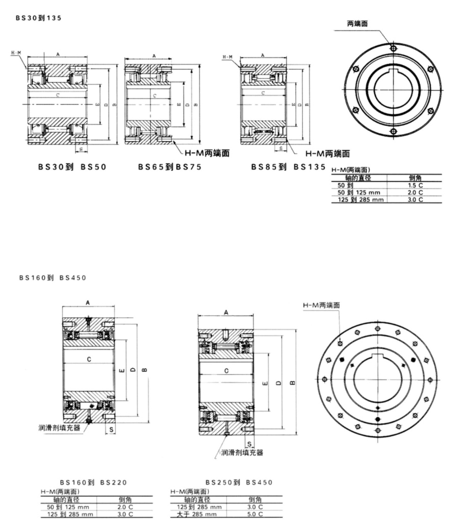
BS超越离合器
上一个产品:
RSBI超越离合器
下一个产品:
FB超越离合器
Copyright 常州澳德龙离合器有限公司
苏ICP备2023030286号-2
技术支持:
常州网站建设